YJ1-B60電涌護護器
產品簡介
該系列電涌保護器適用于交流50Hz,380V及以下的TT,IT、TN-S、N-C-S等供電系統,可作為LPZ1,LP22與LP23區界面處的等電位連接。其設計依據符合IEC61643-1,GB18802.1,外殼設計安裝在35mm電氣導軌上,該產品內置失效脫離裝置,當電涌保護器因過流過熱、擊穿失效時,失效脫離裝置能自動的將其從電網上脫離,同時可視告警指示窗口由綠色(正常)變成紅色(故障)。
產品用途
YJ1系列模塊用于雷擊時等電位連接,安裝在LPZOB區與LPZ1區與LPZ2區交界處,應用于電源供電系統的第一級電源電涌保護產品、具備很高的電涌流匯放能力,最大放電電流可達160kA(8/20μs),安裝在雷擊風險較高地區的設備系統的電源第一級電涌保護。
產品設計和訂貨須知:用戶在產品設計和訂貨時,應詳細標明產品型號、數量。
產品特點
a、無需更換底座即可更換保護器單元;
b、最高可承受60kA(8/20μs)雷電流沖擊;
c、動作響應時間小于25納秒;
d、可視窗口顏色表示保護的工作狀態綠色(正常)、紅色(故障)。
e、高能電涌保護
f、遙信報警接口
g、失效檢測指示
h、標準模塊化安裝
i、反應速度:納秒級
j、內置瞬間過流斷路裝置
k、單模塊最大放電電流60kA(8/20μS)
l、內置過熱斷路裝置
m、插拔防誤設計
正常工作條件
1、周圍空氣溫度為:-40℃~+70℃,24小時內其平均值不超過+35℃。
2、海拔高度不超過2000m。
3、大氣條件安裝地點的空氣相對濕度在最高溫度為+40℃時不超過50%;在較低的溫度下可允許有較高相對濕度,最濕月的月平均最低溫度不超過+25℃,該月的平均最大相對濕度不超過90%。并考慮到因溫度變化發生在產品表面的凝露。
4、污染等級:2級。
5、安裝類別:類別Ⅱ
6、安裝方式:采用 國際標準導軌。
主要參數及技術性能
| 型號 | YJ1-B60 |
| 規格 | 1P/2P/3P/4P |
| SPD類別 | 限壓型 |
| 實驗類別 | Ⅱ類實驗 |
| 額定電壓 Un | 220V AC 50-60Hz |
| 最大持續運行電壓 Uc(L-N) | 385V AC 50-60Hz |
| 標稱放電電流 Ln(L-N)(8/20μs) | 30kA |
| 最大放電電流 1max(L-N) (8/20μs) | 60kA |
| 電壓保護水平 Up(L-N)(8/20μs) | 2.0kV |
| 電壓保護水平 Up(N-PE)(8/20μs) | 2.0kV |
| 推薦串接過流保護裝置 | 63A/35kA |
| 響應時間 tA(L-N) | ≤25ns |
| 失效指示 | 綠色:正常 紅色:失效 |
| 安裝導線截面積 | 4-35mm2 |
| 安裝方式 | 35mm標準導軌 |
| 工作環境 | -40℃~+70℃ |
| 外殼材料 | 塑膠 符合UL94 V-0 |
| 防護等級 | IP20 |
| 遙信報警 | 常開常閉觸點端子(可選) |
| 遙信接口接線能力 | 最大1.5mm2 |
接線示意圖

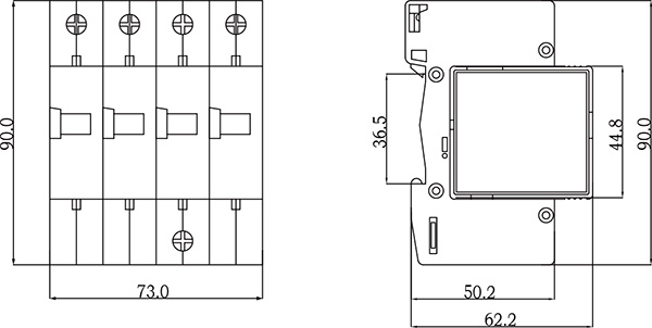
產品尺寸參數

- ← 上一個: YJ1-C40電涌護護器
- YJ1-A15/25/50 浪涌保護器 :下一個 →
樂清市一錦電子有限公司